一、挖沟槽工程量计算公式
(一)外墙沟槽: V挖= S断×L外中
(二)内墙沟槽: V挖= S断×L基底净长
(三)管道沟槽: V挖= S断×L中

其中沟槽断面有如下形式1、 钢筋混凝土基础有垫层时:
(1)两面放坡如图1-1(a)所示:
S断=[(b+2×0.3)+ mh] ×h +(b'+2×0.1)×h'
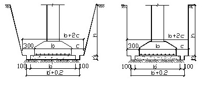
(2)不放坡无挡土板如图1-1(b)所示:
S断=(b+2×0.3)×h +(b'+2×0.1)×h'

(3)不放坡加两面挡土板如图1-1(c)所示:
S断=(b+2×0.3+2×0.1)×h +(b'+2×0.1)×h'
(4)一面放坡一面挡土板如图1-1(d)所示:
S断=(b+2×0.3+0.1+0.5 mh)×h +(b'+2×0.1)×h'

建设工程教育网整理
(责任编辑:liushengbao)